FS2 models from 1997 to 2000 models.
To see the spare parts views, click on links on photographies where the hand appears.
Pour obtenir les vues éclatées, cliquez sur l'image quand la main apparait.


82682 - Low voltage control circuit. Rear view of the element positions.
| Model | Main circuit | Terminals |
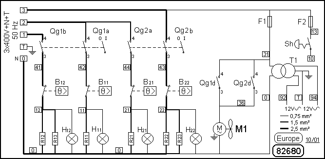
| Europe - 3x400V 50Hz | 82680 | 82681 |
| USA - 3x208V 60Hz | 82690 | 82691 |
These views may contain some pictures for European and US elements.
Ces vues peuvent contenir des images pour des éléments Européens et USA.